江苏省汉华安装工程有限公司
  • 网站首页
  • 通知公告
  • 关于我们
  • 行业资料
  • 企业证件
  • 工程展示
  • 成功案例
  • 联系我们
  • 人才招聘
    当前位置: 网站首页  >> 行业资料  >> 查看详情

    行业资料

    小知识:稀油密封煤气柜密封油的一些探讨

    来源: 江苏省汉华安装工程有限公司  日期:2021-05-27 16:53:55  点击:2258  属于:行业资料
    稀油密封煤气柜密封油的一些探讨
    中冶京诚工程技术有限公司 张涛
    一、稀油密封气柜简介
    钢铁企业中煤气放散既浪费了能源又污染了环境,为充分利用煤气杜绝放散,稳定管网压力,要解决这个问题则需要利用现代钢铁企业普遍采用的干式煤气柜。当煤气供应不足时,由柜存气予以补充,当煤气供应过剩时,由气柜予以贮存,同时煤气柜还能平稳煤气管网压力波动。
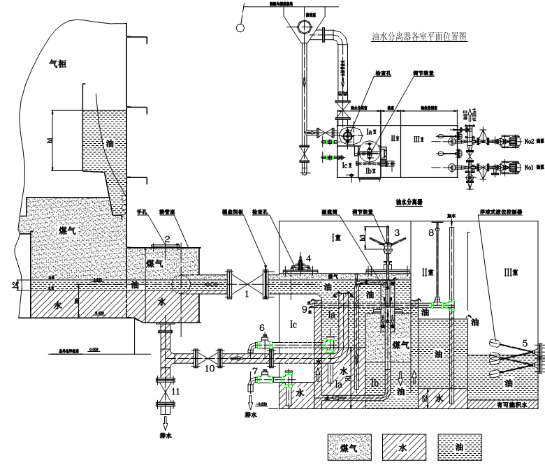
    干式煤气柜按其结构可分为三种型式,即①稀油密封多边形气柜、②稀油密封圆形气柜、③橡胶膜密封气柜。以下为多边形稀油密封煤气柜结构示意图:
    橡胶膜密封气柜主要用于储存转炉煤气;稀油密封多边形气柜、稀油密封圆形气柜主要用于储存高、焦炉煤气。其中稀油密封多边形型煤气柜应用的较为广泛。
    下表为我公司对密封油的指标要求
    序号 项  目 指  标
    1 粘度(50℃) 45~50厘斯(cst)
    2 凝点(不高于) -25℃
    3 比重(15/4℃) ≥0.882
    4 闪点(开口、闭口) 180℃以上
    5 粘度指数 80~100
    6 灰分(%) 0.01以下
    7 腐蚀 合格(100℃,3h铜片、钢片)
    8 全酸值 0.5mgKOH/g以下
    9 油水分离性 取70cm3密封油试样,再取冷凝水50cm3,共同放入200cm3计量瓶中,2分钟手提计量瓶晃动充分混合,静置1小时后,能分离出水≥45cm3为合格。
     
    气柜密封油流程示意图
     
     
     
     
     
     
     
     
     
     
     
     
     
     
     
     
     
     
     
     
     
     
     
     
    二、密封介质
    密封介质一一气柜用密封稀油的物理及化学状态对活塞的密封和运行有着重要的意义。我们将对密封油的各项指标进行一些探讨。
    1.油水分离性的指标
    稀油能否顺利与水分离是一个尤其关键的问题。分离得不好,在冬季油中水结冰随时可能阻断循环油路,使气柜无法运行;另外,水的存在还会使密封油乳化。油水分离性主要受到以下几个因素影响:
    ①密封油加温要有保证
    实践证明,油温越高,油水分离性越好,油水分离的速度也越快。密封油温至少要保持在10℃以上,油与水才能有效分离,当然这与密封油品种有很大关系。
    ②油水混合的程度
    如果密封油只是缓慢的的和水混合到一起,未发生剧烈的搅拌时,油水分离速度较快,而且分离的彻底。当油水发生剧烈搅拌时(油泵),水和密封油会形成极细小的珠状物,两者彻底混合,密封油甚至会被乳化,在这种情况下油水分离的速度则非常缓慢,甚至无法分离。
    ③密封油中的杂质含量
    密封油中的杂质将会显著减低密封油的油水分离性能。在焦炉煤气柜中发现密封油中含有的煤焦油、萘、苯等杂质,这会导致密封油油水分离性下降。
    2.运动粘度及粘度指数
    干式柜对密封油的客观要求:较高的粘度及良好的粘温特性。为了减少漏油量,应使用高粘度密封油,并且其粘度不会随温度而发生急剧变化。而低温下,油的粘度不能太高,防止堵塞供油管。
    根据我国南、北方的气候差异,密封油的运动粘度应有所区别,平均气温越低,则密封油粘度也应越低。如:北方地区密封油运动粘度应选择在45~48厘斯之间,南方地区则应在48~50厘斯之间。
    在焦炉煤气柜中发现密封油中含有的煤焦油、萘、苯等杂质,这会导致密封油粘度急剧下降。
    如:辽宁营口某厂焦炉煤气柜投产3个月后,粘度指标下降到25~30厘斯,经检查后发现,该煤气柜储存的焦炉煤气未经过净化处理,大量的煤焦油、萘、苯溶解到密封油当中,导致运动粘度急剧下降。
    厂方加入1%的添加剂,在短时间内密封油粘度指标恢复,但气柜只维持运行了2、3个月,指标仍然下降。这种情况下,可加入10%~15%高粘度密封油母液进行调和。
     
    2.密封油的变质
    干式柜对密封油的客观要求:
    ①较高的粘度及良好的粘温特性。为了减少漏油量,应使用高粘度密封油,并且其粘度不会随温度而发生急剧变化。
    ②良好的氧化安定性。密封油需要长期连续运转,具有良好的氧化安定性可以防止在与水、煤气、金属的长期接触中,被氧化并生成酸性物质和沉淀物造成变质及金属腐蚀。
    ③良好的抗乳化性。密封油在循环过程中会与(煤气中的)水分接触,并被强烈的搅拌(油泵),因此应当具备良好的抗乳化性。
    ④良好的防锈防腐性。水进入密封油会对金属造成腐蚀,从而使柜体及各种运转、密封装置受损。因此,密封油应当是深度精制的矿物基础油加入抗氧剂、防锈剂、金属钝化剂、抗泡沫剂等添加剂配成。
    ⑤较低的凝固点,在冬季寒冷地区也可使用。
    作为密封油油,干式柜中的使用环境就显得相当恶劣了,它必须与水接触,与煤气及其中的各种杂质、焦油、硫、萘份接触,还有空气、灰尘及金属。因此,必须面对它的变质问题。
    可所采取的措施是:
    a、严格按客观要求选择密封油。密封油的氧化主要是不饱和烃组分的氧化,尽可能选用直馏组分调合密封油能延缓氧化变质。
    b、定期补充抗氧化剂。密封油始终与煤气中的水接触,水会使油中的一些添加剂分解或沉淀,定期补充抗氧化剂,可以增加油品的抗氧化能力。
    c、用涂料减少油品与金属的接触,尤其是气柜底部油槽的壁板和油水分离器的壁板应刷耐油涂料。
    d、定期检查沉积物的状况和清洗储油容器。
    e、采用破乳、过滤、补充添加剂等综合手段改变油质,干式气柜密封油用量较大,添加剂的应用在经济上无疑是明智的选择。如营口中板公司10万立高、焦炉柜冬季添加了添加剂T746、T1001各0.3%。所采用的添加剂品种和添加量需根据取样(气柜内油及冷凝水)实测的试验结果来确定。
     
    三、其他问题
    1) 通过油水分离器出来的油仍含有少量水份,在密封机构内流速较低的情况下,水份会逐渐析出,形成小冰渣子,有些依附在温度较低的柜壁上结冰,有些则聚集成冰块沉在兜底帆布或是滑板上,严重时会将密封机构卡死,造成滑板倾覆,密封油大量泄漏、活塞落底的事故。
    2) 气柜内焦炉煤气也含有大量水份,在气柜内静止后,在温度较低的柜壁上会逐渐冷凝成水,在冬季就会在侧壁上结冰。
    3) 气柜密封机构上有铲冰装置,1)、2)两点所提到的冰在气柜正常运行时均为薄冰或薄霜,会被即时铲掉。但如果冬季活塞常时间不运动,密封机构的薄冰将越结越厚,等到活塞需要运行的时候,铲冰装置就无法铲掉厚冰,密封机构也将被破坏。
    应此冬季要避免活塞常时间不运动,有条件的情况下,每天活塞应上下走一个全程。同时1)所提到的冰也有可能在供油管上凝结,堵塞供油管,一般发生在北面的供油管,建议将供油管保温层外部在敷设一层电加热系统,在供油管发生冻结时启动。
    同时1)所提到的冰也有可能由外仓进入到静止油箱进、出口管和隔仓油连通管,将静止油箱进、出口管和连通管冻结,造成内外仓油位不一致,隔仓油位不一致。可以用蒸汽解冻或是暂时将悬挂帆布和隔仓帆布解开口子。在发生泄油量增加、无法控制时应将柜位迅速降到1-2万立,防止发生重大事故。
    上一新闻:小知识:汽轮机排汽真空影响因素探析
    下一新闻:小知识:焦炉煤气氧含量到底超标多少会爆炸?

    友情链接:

    • 中国气柜网
    • 百度
    技术支持:神赢网络 江苏省汉华安装工程有限公司  版权所有 2023-2028 苏ICP备11028139号-1